Русский

006456 - Комплекс №1

006456006456 - Комплекс №1 - фото превью 1
006456 - Комплекс №1 - детальное фото006456 - Комплекс №1 - фото пример 1
Добавить в избранное
006456 - Комплекс №1: цветовая схема 0
006456 - Комплекс №1: цветовая схема 1
  • Стоимость: по запросу
Спортивный комплекс должен представлять собой устойчивую конструкцию, обеспечивающую безопасные условия для занятий спортом на свежем воздухе.
Характеристики
  • Артикул: 006456
  • Габаритные размеры: 7275x6090x2630 мм
  • Возрастная группа: от 14 лет
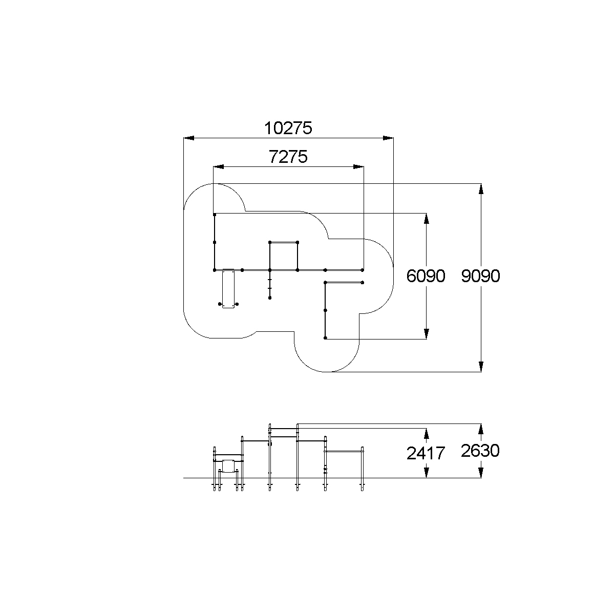
План-схема: 006456 - Комплекс №1
Описание
Характеристики
Материалы
Спортивный комплекс должен представлять собой устойчивую конструкцию, обеспечивающую безопасные условия для занятий спортом на свежем воздухе.Спортивный комплекс должен состоять из 17 несущих стоек, шведской стенки, 10-ти разноуровневых перекладин, скамьи для пресса, перекладины с гимнастическими кольцами, параллельных брусьев. Оборудование должно крепиться к стойкам комплекса через хомуты диаметром 140 мм.Несущие стойки должны быть выполнены из металлической трубы диаметром не менее 89 мм с толщиной стенки не менее 3,0мм. Сверху стойка должна заканчиваться заглушкой, снизу бетонироваться в землю.Перекладины, крепящиеся к стойкам при помощи хомутов, должны быть изготовлены из металлической трубы диаметром не менее 33 мм с толщиной стенки не менее 2,8мм.Скамья для пресса должна состоять из 2-х перекладин с фланцами, выполненных из металлической трубы диаметром не менее 33 мм с толщиной стенки не менее 2,8 мм и настила из влагостойкой фанеры толщиной не менее 21 мм. Жерди параллельных брусьев должны быть изготовлены из металлической трубы диаметром не менее 42 мм.Шведская стенка должна состоять из вертикальных стоек и перекладин, выполненных из металлической трубы диаметром не менее 33 мм. Перекладина с гимнастическими кольцами должна быть выполнена из металлической трубы диаметром не менее 42 мм, гибкой подвески из полипропиленового 6-прядного армированного металлом каната тросовой свивки с резиновым сердечником диаметром не менее 16 мм и колец из влагостойкой фанеры толщиной не менее 21 мм.
  • Артикул: 006456
  • Габаритные размеры: 7275x6090x2630 мм
  • Возрастная группа: от 14 лет
  • Ширина Зоны Безопасности (мм): 9090
  • Длина Зоны Безопасности (мм): 10275
  • Макс. H Свобод. Падения (мм): 2417
Металлические элементы должны быть покрыты порошковыми красками или подвергнуты гальванизации. Сварные швы должны быть гладкими и исключать возможность травмирования пользователей при контакте. Весь крепеж должен быть оцинкован, все углы закруглены радиусом не менее 3 мм. Концы труб должны быть закрыты.Канат полипропиленовый 6-прядный армированный металлом, тросовой свивки с резиновым сердечникомФанера влагостойкая не ниже I сорта, изготовленная из шлифованного березового шпона повышенной водостойкости, склеенного клеем класса эмиссии Е1 с предварительной заделкой (замазкой или вставками) естественных дефектов древесины.Материалы из древесины не должны иметь на поверхности дефектов обработки. Концы труб должны быть закрыты. Промежутки и стыки между элементами оборудования не должны допускать застревания частей тела и одежды пользователей. В конструкции должна быть предусмотрена возможность доступа взрослого при обстоятельствах, требующих посторонней помощи пользователю.C целью повышения качества и безопасности продукции, в документацию на изделие могут вноситься изменения (изображение, размеры, и т.п.).
Изделия данного раздела