Русский

006457 - Комплекс из 3 турников, 2 скамеек для пресса и шведской стенки

006457006457 - Комплекс из 3 турников, 2 скамеек для пресса и шведской стенки - фото превью 1006457 - Комплекс из 3 турников, 2 скамеек для пресса и шведской стенки - фото превью 2
006457 - Комплекс из 3 турников, 2 скамеек для пресса и шведской стенки - детальное фото006457 - Комплекс из 3 турников, 2 скамеек для пресса и шведской стенки - фото пример 1006457 - Комплекс из 3 турников, 2 скамеек для пресса и шведской стенки - фото пример 2
Добавить в избранное
006457 - Комплекс из 3 турников, 2 скамеек для пресса и шведской стенки: цветовая схема 0
006457 - Комплекс из 3 турников, 2 скамеек для пресса и шведской стенки: цветовая схема 1
  • Стоимость: по запросу
Спортивный комплекс должен представлять собой устойчивую конструкцию, обеспечивающую безопасные условия для занятий спортом на свежем воздухе.
Характеристики
  • Артикул: 006457
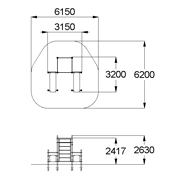
  • Габаритные размеры: 3200x3150x2630 мм
  • Возрастная группа: от 14 лет
План-схема: 006457 - Комплекс из 3 турников, 2 скамеек для пресса и шведской стенки
Описание
Характеристики
Материалы
Спортивный комплекс должен представлять собой устойчивую конструкцию, обеспечивающую безопасные условия для занятий спортом на свежем воздухе.Спортивный комплекс состоять из 10-ти разновысоких несущих стоек, четыре из которых расположены в вершинах условного квадрата и спортивного навесного оборудования, крепящегося к стойкам комплекса через хомуты диаметром не менее 140 мм. Комплекс должен состоять из разноуровневых перекладин, шведской стенки и 2-х скамеек для пресса. Несущие стойки должны быть выполнены из металлической трубы диаметром не менее 89 мм с толщиной стенки не менее 3,0мм. Перекладины, крепящиеся к стойкам при помощи хомутов, должны быть изготовлены из металлической трубы диаметром не менее 33 мм с толщиной стенки не менее 2,8мм.Скамья для пресса должна состоять из 2-х перекладин со вставками и настила. Настил должен быть изготовлен из влагостойкой фанеры толщиной не менее 21 мм. Настил должен крепиться к металлическим перекладинам диаметром не менее 33 мм. Шведская стенка должна состоять из вертикальных стоек и перекладин, выполненных из металлической трубы диаметром не менее 33 мм.
  • Артикул: 006457
  • Габаритные размеры: 3200x3150x2630 мм
  • Возрастная группа: от 14 лет
  • Ширина Зоны Безопасности (мм): 6150
  • Длина Зоны Безопасности (мм): 6200
  • Макс. H Свобод. Падения (мм): 2417
Металлические элементы должны быть покрыты порошковыми красками или подвергнуты гальванизации. Сварные швы должны быть гладкими и исключать возможность травмирования пользователей при контакте. Металлические элементы конструкции не должны состоять из нескольких частей, соединенных между собой.Весь крепеж должен быть оцинкован, все углы закруглены радиусом не менее 3 мм. Концы труб должны быть закрыты.Фанера влагостойкая не ниже I сорта изготовленная из шлифованного березового шпона повышенной водостойкости, склеенного клеем класса эмиссии Е1 с предварительной заделкой (замазкой или вставками) естественных дефектов древесины.Материалы из древесины не должны иметь на поверхности дефектов обработки. Концы труб должны быть закрыты. Промежутки и стыки между элементами оборудования не должны допускать застревания частей тела и одежды пользователей. В конструкции должна быть предусмотрена возможность доступа взрослого при обстоятельствах, требующих посторонней помощи пользователю.C целью повышения качества и безопасности продукции, в документацию на изделие могут вноситься изменения (изображение, размеры, и т.п.).
Изделия данного раздела