Русский

007543 - Тренажёр

007543
007543 - Тренажёр - детальное фото
Добавить в избранное
007543 - Тренажёр: цветовая схема 0
007543 - Тренажёр: цветовая схема 1
  • Стоимость: по запросу
Спортивный тренажер рассчитан на двух пользователей.
Характеристики
  • Артикул: 007543
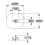
  • Габаритные размеры: 1580x865x1270 мм
  • Возрастная группа: от 14 лет
План-схема: 007543 - Тренажёр
Описание
Характеристики
Материалы
Спортивный тренажер рассчитан на двух пользователей.Спортивный тренажер представляет собой устойчивую конструкцию, обеспечивающую безопасные условия для тренировки и укрепления косых мышц живота, брюшного пресса, мышц поясничного отдела, а также для тренировки мышц ног в положении сидя. Тренажер состоит из тренажера для скручивания в положении сидя и тренажера для сгибания и разгибания ног в коленях в положении сидя.Спортивный тренажер состоит из двух функциональных тренажеров, размещенных на единой несущей стойки. Несущая стойка выполнена из металлической трубы сечением не менее 100х100 мм с толщиной стенки не менее 3 мм, на металлическом основании с отверстиями для крепления к фундаменту. В верхней части стойка закрыта заглушкой. С одной стороны несущей стойки крепится спинка, выполненная из влагостойкой фанеры толщиной не менее 21 мм, и консоль с сиденьем, выполненным из влагостойкой фанеры толщиной не менее 21 мм. К концу консоли крепится противовес для ног, изготовленный из металлической трубы сечением не менее Ø 48 мм и из круга сечением не менее Ø58 мм, снабженный подшипниками для обеспечения плавного хода. Диапазон движения противовеса для ног ограничен упором, представляющим собой резиновый отбойник, который крепится в нижней части консоли. С другой стороны несущей стойки крепится рама, выполненная из труб сечением не менее 60 мм и 48 мм. В верхней части рамы крепится сиденье, выполненное из влагостойкой фанеры толщиной не менее 21 мм, на металлическом основании с упорами для ног, снабженным подшипниками для обеспечения плавного хода. По бокам к несущей стойке крепятся поручни, изготовленные из металлической трубы диаметром не менее Ø 33,5 мм. Зоны поручней, предназначенные для захвата, закрыты несъемными резиновыми ручками.
  • Артикул: 007543
  • Габаритные размеры: 1580x865x1270 мм
  • Возрастная группа: от 14 лет
  • Новинка: Да
  • Ширина Зоны Безопасности (мм): 3865
  • Длина Зоны Безопасности (мм): 4585
Металлические элементы покрыты порошковыми красками или подвергнуты гальванизации. Сварные швы – гладкие и исключают возможность травмирования пользователей при контакте. Открытые углы, кромки и края скруглены. Выступающие более 8 мм элементыконструкции скруглены радиусом не менее 3 мм.Весь крепеж оцинкован, выступающие концы болтов в пределах любой доступной части оборудования закрыты пластиковыми заглушками.Концы труб закрыты, чтобы предотвратить опасность застревания пальцев.Фанера влагостойкая не ниже I сорта, изготовленная из шлифованного березового шпона повышенной водостойкости, склеенного клеем класса эмиссии Е1 с предварительной заделкой (замазкой или вставками) естественных дефектов древесины.Материалы из древесины не имеют на поверхности дефектов обработки. Позиции захвата четко обозначены и имеют шероховатую текстуру для предотвращения скольжения.Все элементы оборудования покрыты красками, препятствующими поверхностному возгоранию, и в процессе горения не выделяют токсических веществ.Материалы, применяемые при изготовлении оборудования, безопасны и не вызывают интоксикации или раздражения при контакте с кожей и слизистыми оболочками пользователя.C целью повышения качества и безопасности продукции, в документацию на изделие могут вноситься изменения (изображение, размеры, и т.п.)
Изделия данного раздела