Русский

004143 - Качели двухсекционные

004143004143 - Качели двухсекционные - фото превью 1
004143 - Качели двухсекционные - детальное фото004143 - Качели двухсекционные - фото пример 1
Добавить в избранное
004143 - Качели двухсекционные: цветовая схема 0
004143 - Качели двухсекционные: цветовая схема 1
004143 - Качели двухсекционные: цветовая схема 2
004143 - Качели двухсекционные: цветовая схема 3
  • Стоимость: по запросу
Качели должны представлять собой устойчивую конструкцию, состоящую из 8-и несущих столбов, 2-х балок, 4-х фитингов и 2-х фанерных накладок в виде "облака", подвесок качелей, подвески "Гнездо".
Характеристики
  • Артикул: 004143
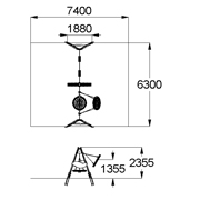
  • Габаритные размеры: 6300x1880x2355 мм
  • Возрастная группа: от 3 до 12 лет
План-схема: 004143 - Качели двухсекционные
Описание
Характеристики
Материалы
Качели должны представлять собой устойчивую конструкцию, состоящую из 8-и несущих столбов, 2-х балок, 4-х фитингов и 2-х фанерных накладок в виде "облака", подвесок качелей, подвески "Гнездо". Несущие столбы должны быть выполнены из клееного деревянного бруса сосны сечением не менее 100х100 мм и иметь скругленный профиль. Сверху столб должен заканчиваться пластиковой заглушкой, снизу столб должен заканчиваться металлическим оцинкованным подпятником из металлической профильной трубы сечением не менее 50х25 мм, который бетонируется в землю.Фитинги, оцинкованные трапециевидной формы выполнены из металлического листа толщиной не менее 5мм.Балка оцинкованная выполнена из металлической трубы 40х80 мм с приваренными к ней фланцами, косынками, выполненными из металлического листа толщиной не менее 5мм и скоб для крепления подвесов выполненными из металлического листа толщиной не менее 3мм.Балка оцинкованная выполнена из металлической трубы 40х80 мм с отверстиями в ней для крепления "Гнезда" и приваренными к ней фланцами, косынками, выполненными из металлического листа толщиной не менее 5мм.Накладки декоративные должны быть выполнены из влагостойкой фанеры толщиной не менее 21 мм. Сиденье "Гнездо" должно состоять из каркаса, «сетки-паутины». «Сетка-паутина», выполненная из высокотехнологичного полиамидного каната диаметром не менее 16 мм должна располагаться в пространстве, ограниченном каркасом диаметром не менее 950 мм. Канат сетки должен быть надежно закреплен специальными зажимами и креплениями из алюминиевого сплава, позволяющими удерживать конструкцию сетки под нагрузкой. Подвес в виде составных вант должен состоять из верхней части, выполненной из оцинкованной цепи длиной не менее 200 мм и нижней части, выполненной из каната диаметром не менее 16 мм и длиной не менее 1300 мм. Нижние части составных вант одной стороной должны крепиться к каркасу, а другой стороной, соединяясь попарно, крепиться к верхней части составных вант. Подвес качелей с сиденьем резиновым должен быть выполнен из оцинкованной стальной цепи, изготовленной методом контактной электросварки. На поверхности цепи не должно быть трещин, ситовидной пористости, плены и расслоения. К подвесу должно крепиться плоское сиденье, выполненное из обрезиненного металла. Длина подвеса должна быть не менее 1640 мм. Габаритные размеры сиденья должны быть не менее 450х180х35 мм. Крепление подвеса должно обеспечивать горизонтальное положение относительно плоскости площадки в состоянии покоя и исключать возможность обрыва цепи в месте подвески.
  • Артикул: 004143
  • Габаритные размеры: 6300x1880x2355 мм
  • Возрастная группа: от 3 до 12 лет
  • Новинка: Да
  • Ширина Зоны Безопасности (мм): 6300
  • Длина Зоны Безопасности (мм): 7400
  • Макс. H Свобод. Падения (мм): 1355
Фанера влагостойкая не ниже I сорта изготовленная из шлифованного березового шпона повышенной водостойкости, склеенного клеем класса эмиссии Е1 с предварительной заделкой (замазкой или вставками) естественных дефектов древесины. Деревянный брус должен быть склеен под прессом из нескольких отборных сосновых досок, подвергнутых специальной обработке и сушке до мебельной влажности 7-10% для придания особой прочности несущим конструкциям. Материалы из древесины не должны иметь на поверхности дефектов обработки.Весь крепеж должен быть оцинкован, все углы и кромки закруглены радиусом не менее 3 мм. Сварные швы должны быть гладкими и исключать возможность травмирования пользователей при контакте. Металлические элементы конструкции не должны состоять из нескольких частей, соединенных между собой. Концы труб должны быть закрыты. Порошковая и двухкомпонентная краски. Промежутки и стыки между элементами оборудования не должны допускать застревания частей тела и одежды пользователей. В конструкции должна быть предусмотрена возможность доступа взрослого при обстоятельствах, требующих посторонней помощи пользователю.C целью повышения качества и безопасности продукции, в документацию на изделие могут вноситься изменения (изображение, размеры, и т.п.)
Изделия данного раздела