Русский

007902 - Забор с наклонной доской

007902
007902 - Забор с наклонной доской - детальное фото
Добавить в избранное
007902 - Забор с наклонной доской: цветовая схема 0
  • Стоимость: по запросу
Забор с наклонной доской предназначен для физической подготовки и овладения техникой преодоления препятствий.
Характеристики
  • Артикул: 007902
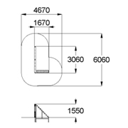
  • Габаритные размеры: 3060x1670x1550 мм
  • Возрастная группа: от 12 лет
План-схема: 007902 - Забор с наклонной доской
Описание
Характеристики
Материалы
Забор с наклонной доской предназначен для физической подготовки и овладения техникой преодоления препятствий и должен представлять собой устойчивую конструкцию, состоящую из вертикальных стоек, выполненных из деревянного бруса сечением 100х100мм, соединенных между собой металлическими стяжками, выполненными из трубы сечением 30х60х2,5мм. Стойки опираются на оцинкованные подпятники, выполненными из трубы сечением 30х60х2,5мм. Каркас обшит ламинированной фанерой толщиной δ= 21мм. Наклонный трапа выполнен из металлической трубы сечением 30х60х2,5мм, наклонная поверхность обшита ламинированной нескользящей фанерой со ступеньками толщиной 21 мм.
  • Артикул: 007902
  • Габаритные размеры: 3060x1670x1550 мм
  • Возрастная группа: от 12 лет
  • Ширина Зоны Безопасности (мм): 4670
  • Длина Зоны Безопасности (мм): 6060
  • Макс. H Свобод. Падения (мм): 1550
Металлические элементы должны быть покрыты порошковыми красками или подвергнуты гальванизации. Сварные швы должны быть гладкими и исключать возможность травмирования пользователей при контакте. Металлические элементы конструкции не должны состоять из нескольких частей, соединенных между собой.Весь крепеж должен быть оцинкован, все углы закруглены радиусом не менее 3 мм. Концы труб должны быть закрыты.Деревянная доска должна иметь влажность 7-10% для придания особой прочности несущим конструкциям.Фанера влагостойкая не ниже I сорта изготовленная из шлифованного березового шпона повышенной водостойкости, склеенного клеем класса эмиссии Е1 с предварительной заделкой (замазкой или вставками) естественных дефектов древесины.Материалы из древесины не должны иметь на поверхности дефектов обработки. Промежутки и стыки между элементами оборудования не должны допускать застревания частей тела и одежды пользователей. В конструкции должна быть предусмотрена возможность доступа взрослого при обстоятельствах, требующих посторонней помощи пользователю.C целью повышения качества и безопасности продукции, в документацию на изделие могут вноситься изменения (изображение, размеры, и т.п.).
Изделия данного раздела