Русский

006418 - Канатный переход

006418006418 - Канатный переход - фото превью 1006418 - Канатный переход - фото превью 2006418 - Канатный переход - фото превью 3
006418 - Канатный переход - детальное фото006418 - Канатный переход - фото пример 1006418 - Канатный переход - фото пример 2006418 - Канатный переход - фото пример 3
Добавить в избранное
006418 - Канатный переход: цветовая схема 0
  • Стоимость: по запросу
Спортивное оборудование должно представлять собой устойчивую конструкцию и состоять из 2-х несущих стоек с подвесным мостиком и перекладиной.
Характеристики
  • Артикул: 006418
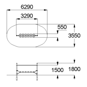
  • Габаритные размеры: 3290x550x1800 мм
  • Возрастная группа: от 5 до 10 лет
План-схема: 006418 - Канатный переход
Описание
Характеристики
Материалы
Спортивное оборудование должно представлять собой устойчивую конструкцию и состоять из 2-х несущих стоек с подвесным мостиком и перекладиной.Несущие стойки должны быть выполнены из металлической трубы диаметром не менее 89 мм с толщиной стенки не менее 3,0мм. Подвесной мостик должен состоять из ступенек, выполненных из деревянной доски толщиной не менее 40 мм и влагостойкой противоскользящей фанеры толщиной не менее 15 мм склеенных между собой. Каждая ступень должна крепиться к канатам, которые крепятся к несущим стойкам при помощи хомутов. Над мостиком должна быть установлена перекладина из металлической трубы Ø 33,5мм, для захвата руками.
  • Артикул: 006418
  • Габаритные размеры: 3290x550x1800 мм
  • Возрастная группа: от 5 до 10 лет
  • Ширина Зоны Безопасности (мм): 3550
  • Длина Зоны Безопасности (мм): 6290
  • Макс. H Свобод. Падения (мм): 1500
Металлические элементы должны быть покрыты порошковыми красками или подвергнуты гальванизации. Сварные швы должны быть гладкими и исключать возможность травмирования пользователей при контакте. Металлические элементы конструкции не должны состоять из нескольких частей, соединенных между собой.Весь крепеж должен быть оцинкован, все углы закруглены радиусом не менее 3 мм. Концы труб должны быть закрыты.Фанера влагостойкая не ниже I сорта изготовленная из шлифованного березового шпона повышенной водостойкости, склеенного клеем класса эмиссии Е1 с предварительной заделкой (замазкой или вставками) естественных дефектов древесины.Деревянные доски хвойных пород дерева должны быть подвергнуты специальной обработке и сушке до мебельной влажности 7-10% для придания особой прочности несущим конструкциямМатериалы из древесины не должны иметь на поверхности дефектов обработки. Концы труб должны быть закрыты. Промежутки и стыки между элементами оборудования не должны допускать застревания частей тела и одежды пользователей. В конструкции должна быть предусмотрена возможность доступа взрослого при обстоятельствах, требующих посторонней помощи пользователю.C целью повышения качества и безопасности продукции, в документацию на изделие могут вноситься изменения (изображение, размеры, и т.п.).
Изделия данного раздела